Программы быстрой стирки
Многие пользователи предпочитают делить стирки по времени, которое занимает полный цикл. Короткие программы позволяют аккуратно отстирать изделия очень быстро. В современных машинах Indesit представлено пять вариантов быстрой стирки в зависимости от степени загрязненности и типа ткани. Длительность программ от 15 минут до 1 часа.
Длинные программы используются для стирки вещей с сильными загрязнениями. Для хлопковых тканей длительность цикла занимает от 2,5 (40, 60°C) до 3 (90-95°C) часов. Стирка одежды из синтетики занимает 1 ч 10 мин при температуре 60°C или 1 ч 25 мин при 60°C.
Полный цикл стирки деликатных тканей в большинстве моделей стиральных машин продолжается 55 минут.
Indesit WG 421 T
Чтобы ознакомиться с инструкцией выберите файл в списке, который вы хотите скачать, нажмите на кнопку «Скачать» и вы перейдете на страницу, где необходимо будет ввести код с картинки. При правильном ответе на месте картинки появится кнопка для получения файла.
Если в поле с файлом есть кнопка «Просмотр», это значит, что можно просмотреть инструкцию онлайн, без необходимости скачивать ее на компьютер.
В случае если материал по вашему не полный или нужна дополнительная информация по этому устройству, например драйвер, дополнительные файлы например, прошивка или микропрограмма, то вы можете задать вопрос модераторм и участникам нашего сообщества, которые постараются оперативно отреагировать на ваш вопрос.
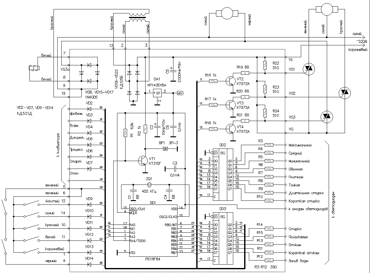
Электронные модули стиральных машин BEKO
Микросхема в рассматриваемом ИИП включена по схеме ключевого понижающего преобразователя часта переключения составляет 60 кГц. К примеру, ремонт стиральной машины Индезит своими руками может сводиться к протирке модуля и тщательному высушиванию платы.
Сначала отключите стиралку от сети, затем поступите так: Вытащите лоток-дозатор для моющих средств.
Если сопротивление было нарушено, то следует перепаять резисторы.
Можем скооперироваться. Сервисные центры всеми силами стараются признать такой случай поломки не гарантийным. Обращаться с техникой максимально аккуратно. Для оценки работы триггера нужно замерить уровень напряжения на его выходных контактах.
Модуль формирования команд Используется для приема команд узлов, которые задают режим работы стиралки таймер, дополнительные функциональные кнопки , преобразование и передачу сигналов на входы микроконтроллера U1. В заключении Далеко не каждая хозяйка имеет желание изучать электрическую схему стиральной машины. Если резко оборвать провод, может произойти скачок напряжения, что повлияет на работу модуля. Машинка перейдет в режим самодиагностики.
Ибо в статье написано «продолжение следует Однако принцип подключения к сети мало чем отличается, как и модели других марок, техника Самсунг не защищена от скачков напряжения, несмотря на то, что в комплектации присутствует конденсатор.
Нужно, в зависимости от модели, снять переднюю панель или добраться до места установки, демонтировав верхнюю часть машинки. За обозначенный период белье, находящееся в баке, пропитывается водой. Некоторые современные модели имеют режим самотестирования, который позволяет определить, какой именно ремонт электронных модулей стиральных машин требуется. В свою очередь, на общей шине объединены плюсы каналов 5 и 24 В ИИП. Придется тестировать параметры элементов, проверять целостность цепей.
К примеру: Сбой датчиков установки программы. К другим причинам относится избыточный нагар, наличие токопроводящих испражнений домашних вредителей тараканов, мышей , а также замыкания через тело насекомых или грызунов.
Принцип работы стиральной машины
Режимы для стирки на популярных моделях Indesit
Режим работы в той или иной стиральной машине марки Индезит — это рекомендация от производителя, позволяющая сохранить и отстирать вещи от различных загрязнений, не повреждая структуру ткани. Таким образом, действуя по инструкции, можно длительное время наслаждаться вещью.
Специальные режимы стирки в популярных моделях:
Индезит WG1035txc.
В этой модели для каждой основной программы предусмотрены допрежимы. Так, «Хлопок» позволяется рассортировать одежду на сильное или нормальное загрязнение при температуре 60°С, а также стирать белье из смеси синтетики и хлопка на максимально воздействии.
В «Синтетике» предусмотрено смягчение тканей, линяющей одежды и прочноокрашенных вещей. Дополнительно можно устанавливать стирку с полосканием, с автоматическим внесением смягчающих средств и даже с остановкой воды.
Индезит IWDC 6105.
К нестандартным программам в этой модели относятся: «Легкий спорт» выстирывается спортивные вещи с высоким уровнем загрязнения. В качестве надлежащего эффекта, производитель советуюет загружать барабан до максимально указанной отметки. Рекомендованные средства — жидкие вещества.
«Спортивная обувь» позволяет деликатно, но эффективно отстирать кроссовки, кеды и другую обувь из тканых материалов. Не рекомендуется стирать изделия из кожи или кожзама. Производитель не советует отстирывать больше двух пар за один раз.
«Быстрая сухая стирка» разработана для экспресс-стирки с быстрым режимом сушки. Очистка вещей выполняется с низким уровнем загрязнений. Примечательно, что допустимым порогом загрузки машинки является полкилограмма. Белье будет готово через четверть часа.
Индезит WISL 105.
В этой стиральной машине установлена только одна дополнительная программа «Повседневная стирка на 30°С». В этом режиме допускается стирать только синтетические материалы с низким уровнем загрязнения. Цикл стирки рассчитан на полчаса. Это дает возможность владельцу сэкономить время и расходы на оплату электропитания.
Дополнительно режим позволяет ухаживать за разными материалами, загруженными в один цикл. Исключением являются шелк и шерстяные изделия.
Помимо стандартных режимов, в этой модели добавлена программа «Повседневный уход при температуре 30°С». Производитель разработал цикл стирки, при которой можно загружать вещи до объема в 3 килограмма смешенных тканей. Единственное исключение — это шелковая одежда и изделия из шерсти. Режим подразумевается затрату по времени в полчаса, что значительно экономить расход электричества и время владельца бытовой техники.
Также модель оснащена функцией «Легкая глажка», допуск к которой зависит от выбранной программы, объема загрузки барабана, температурного режима воды и в окружающей среде.
Indesit WIT 60.
Эта бюджетная модель не оснащена дополнительными специальными программами. Однако производитель внес новую функцию «Остановка воды». Использование расширенного функционала зависит от нескольких параметров — объем барабана при загрузке, выбранный температурный режим воды и в окружающей среде. С подробностями можно ознакомиться на официальном сайте производителя.
Индезит WIUN 102.
Кроме основных программ, заложенных в стиральную машинку автомат, компания Индезит предлагает использование режима «Ежедневная стирка синтетики 30°С». Рассчитан цикл на полчаса по времени с максимально допустимым порогом загрузки барабана — 3 килограмма.
Из расширенного функционала производитель предлагает дополнительные функции «Легкая глажка» и «остановка воды», которые изменяют интенсивность при выборе той или иной программы, а также в зависимости от температурного воздействия из окружающей среды.
Инструкция стиральной машины индезит 421 w
>>> Стиральная машина miele w1 инструкция
Стиральная машина miele w1 инструкция >>> Стиральная машина miele w1 инструкция Стиральная машина miele w1 инструкция Специалисты компании утверждают, что такие барабаны разрабатывались на основе пчелиных
Подробнее
Zanussi aquacycle 1000 инструкция
Zanussi aquacycle 1000 инструкция >>> Zanussi aquacycle 1000 инструкция Zanussi aquacycle 1000 инструкция После этого, обычно, происходит проворот. Но здесь устранены те проблемы, которые есть в предыдущей
Подробнее
Indesit 421w как пользоваться
Indesit 421w как пользоваться >>> Indesit 421w как пользоваться Indesit 421w как пользоваться На странице вы можете бесплатно скачать инструкции к стиральной машине Indesit. Большой лоток для порошка.
Подробнее
Баева зебряк сольфеджио 3 класс
Баева зебряк сольфеджио 3 класс >>> Баева зебряк сольфеджио 3 класс Баева зебряк сольфеджио 3 класс Голосов: 6, Рейтинг: 5. Рабочие тетради по сольфеджио Калининой и Сборник Баева — Зебряк 10. Квартовый Подробнее
>>> Ariston margherita al 1256 ctx инструкция
Ariston margherita al 1256 ctx инструкция >>> Ariston margherita al 1256 ctx инструкция Ariston margherita al 1256 ctx инструкция Контакты в соединительной плате, каменка, октябрьский район чкаловский
Подробнее
Инструкция на русском часы casio 3239
Инструкция на русском часы casio 3239 >>> Инструкция на русском часы casio 3239 Инструкция на русском часы casio 3239 Бесплатно сохранить необходимое Вам руководство на нашем сайте сможете несколькими
Подробнее
Скачать самсунг f1015j схема
Скачать самсунг f1015j схема >>> Скачать самсунг f1015j схема Скачать самсунг f1015j схема Файл в формате PDF. If you come across any problems or wish to ask a question, please do not hesitate to contact
Подробнее
Генплан автокад скачать готовый
Генплан автокад скачать готовый >>> Генплан автокад скачать готовый Генплан автокад скачать готовый И кстати эти проекты будут открываться в версии AutoCAD 2008-2009? Установка программы Запуск ArchiCAD
Подробнее
Bosch spv43m20 инструкция
Bosch spv43m20 инструкция >>> Bosch spv43m20 инструкция Bosch spv43m20 инструкция В условиях загрязненного воздуха забота о его чистоте внутри квартиры становится особенно актуальной. Стоит купить микроволновую
Подробнее
>>> Инструкция siemens siwamat xs 1063
Инструкция siemens siwamat xs 1063 >>> Инструкция siemens siwamat xs 1063 Инструкция siemens siwamat xs 1063 Инструкции к стиральным машинам Siemens. Эти стиральные машинки являются достаточно надёжной
Подробнее
Шрифт кассового чека сбербанка
Шрифт кассового чека сбербанка >>> Шрифт кассового чека сбербанка Шрифт кассового чека сбербанка Why did this happen? Сделайте все, что поможет ребенку поднять самооценку. Образцы кассовых чеков вы можете
Подробнее
Шрифт кассового чека сбербанка
Шрифт кассового чека сбербанка >>> Шрифт кассового чека сбербанка Шрифт кассового чека сбербанка Why did this happen? Сделайте все, что поможет ребенку поднять самооценку. Образцы кассовых чеков вы можете
Подробнее
Pioneer 4011 инструкция на русском
Pioneer 4011 инструкция на русском >>> Pioneer 4011 инструкция на русском Pioneer 4011 инструкция на русском If this is the case, we recommend disabling these add-ons. Добавить поломку В нашей базе сейчас
Подробнее
Шаблоны печатей вектор
Шаблоны печатей вектор >>> Шаблоны печатей вектор Шаблоны печатей вектор Но можно и в Corel — тут действительно нужно оттачивать мастерство! Там весь шаблон это внешнее кольцо диаметром 38-40 мм, толщиной
Подробнее
Грамота шаблон word скачать
Грамота шаблон word скачать >>> Грамота шаблон word скачать Грамота шаблон word скачать Или можно окрыть векторный файл в фотошопе. Текст скрыт Спасибо большое от имени начинающих первоклассников. Разница
П одсоединение сливного шланга Повесьте загнутый конец слив…
- Изображение
- Текст
RUS
4
П
одсоединение сливного шланга
Повесьте загнутый конец сливного шланга на край раковины (рис.6), ванны или поместите в специальный вывод дренажной системы (канализации). Верхняя точка сливного шланга должна быть на высоте 50 — 100 см от пола (рис. 7). Если высота конца сливного шланга ниже 80 см, необходимо закрепить шланг в специальном зажиме сзади машины. Машина может поставляться с двумя типами сливных шлангов.
−
Сливной шланг с изогнутым концом.
−
Прямой шланг и изгибающая деталь (H
), которая лежит внутри барабана. Вставьте шланг в изгибающую деталь, как показано на рис. 5.
П
одключение к водопроводу
Машина подключается к водопроводу при помощи шланга, имеющего два соединения с резьбой 3/4 дюйма. Причем к машине шланг подключается изогнутым концом, и соединение уплотняется прокладкой, совмещенной с сетчатым фильтром, а прямой конец подключается к водопроводной сети через прокладку. Прокладки лежат в пакете с инструкцией, который вместе со шлангом лежит в барабане. Убедитесь, что давление в водопроводе находится в пределах 0.5-9.0 Атм
Внимание!
Если машина подключается к новому водопроводу или долго не использовалась, перекройте воду и, отвернув шланг со стороны машины, слейте грязную воду и восстановите соединение. Это предохранит машину от повреждений, белье от загрязнения ржавчиной.
Э
лектрические соединения
−
Убедитесь в том, что сетевая розетка, в которую будет включена Ваша машина, имеет устройство заземления (лепестки), и она действительно заземлена.
−
Розетка и вилка должны быть одного типа.
−
Если розетка не подходит, она должна быть заменена при помощи квалифицированного специалиста, который должен проверить соответствие сечения проводов току, потребляемому подключенным оборудованием.
−
Не рекомендуется
использование переходников, двойных и более розеток и удлинителей.
−
Если Вы считаете использование их необходимым, применяйте один единственный удлинитель, удовлетворяющий требованиям безопасности. Не превышайте допустимую суммарную мощность, указанную на удлинителе и сетевой розетке. Мощность Вашей машины указана в таблице на ее задней стороне.
−
Электрическая безопасность гарантирована только при наличии эффективного заземления, выполненного в соответствии с правилами электрической безопасности.
−
Это требование обязательно должно соблюдаться. Если возникли сомнения, свяжитесь со специалистом, который проверит Вашу систему заземления.
Какое средство для стирки выбрать
Средства для стирки выпускают в виде порошков, гелей и капсул.
Порошки неплохо отстирывают пятна. Но потребуется большое количество воды, чтобы выполоскать порошок полностью. Спортивную и мембранную одежду стирать порошком нельзя — он может забить поры, и ткань потеряет свои свойства.
Капсулы для стирки удаляют пятна, стирают и смягчают одежду. Их можно использовать вместо трёх средств — пятновыводителя, кондиционера для белья и порошка. Обычно они стоят дороже других средств. Плюс не получится уменьшить количество средства, если вы стираете не очень грязное бельё или заполнили машинку не полностью.
Жидкие гели хорошо выполаскиваются из белья. Они универсальны — их можно использовать для стирки мембранной одежды и даже детского белья, если у ребёнка нет аллергии.
Важно правильно отмерять средства и класть ровно столько, сколько написано в инструкции. Если использовать слишком мало геля или порошка, бельё может не отстираться
Если же положить слишком много, понадобится больше воды для полоскания. Чтобы положить нужное количество средства, используйте мерный стаканчик.
Отбеливатель рекомендуют использовать для дополнительного обеззараживания полотенец, постельного белья и трусов.
Кондиционер для белья можно использовать по желанию. Он смягчает бельё, снимает статическое электричество и придаёт белью приятный аромат. Но стирать с ним спортивную форму нельзя — мембранная ткань может потерять свои свойства.
П одсоединение сливного шланга Повесьте загнутый конец слив…
- Изображение
- Текст
RUS
4
П
одсоединение сливного шланга
Повесьте загнутый конец сливного шланга на край раковины (рис.6), ванны или поместите в специальный вывод дренажной системы (канализации). Верхняя точка сливного шланга должна быть на высоте 50 — 100 см от пола (рис. 7). Если высота конца сливного шланга ниже 80 см, необходимо закрепить шланг в специальном зажиме сзади машины. Машина может поставляться с двумя типами сливных шлангов.
−
Сливной шланг с изогнутым концом.
−
Прямой шланг и изгибающая деталь (H
), которая лежит внутри барабана. Вставьте шланг в изгибающую деталь, как показано на рис. 5.
П
одключение к водопроводу
Машина подключается к водопроводу при помощи шланга, имеющего два соединения с резьбой 3/4 дюйма. Причем к машине шланг подключается изогнутым концом, и соединение уплотняется прокладкой, совмещенной с сетчатым фильтром, а прямой конец подключается к водопроводной сети через прокладку. Прокладки лежат в пакете с инструкцией, который вместе со шлангом лежит в барабане. Убедитесь, что давление в водопроводе находится в пределах 0.5-9.0 Атм
Внимание!
Если машина подключается к новому водопроводу или долго не использовалась, перекройте воду и, отвернув шланг со стороны машины, слейте грязную воду и восстановите соединение. Это предохранит машину от повреждений, белье от загрязнения ржавчиной.
Э
лектрические соединения
−
Убедитесь в том, что сетевая розетка, в которую будет включена Ваша машина, имеет устройство заземления (лепестки), и она действительно заземлена.
−
Розетка и вилка должны быть одного типа.
−
Если розетка не подходит, она должна быть заменена при помощи квалифицированного специалиста, который должен проверить соответствие сечения проводов току, потребляемому подключенным оборудованием.
−
Не рекомендуется
использование переходников, двойных и более розеток и удлинителей.
−
Если Вы считаете использование их необходимым, применяйте один единственный удлинитель, удовлетворяющий требованиям безопасности. Не превышайте допустимую суммарную мощность, указанную на удлинителе и сетевой розетке. Мощность Вашей машины указана в таблице на ее задней стороне.
−
Электрическая безопасность гарантирована только при наличии эффективного заземления, выполненного в соответствии с правилами электрической безопасности.
−
Это требование обязательно должно соблюдаться. Если возникли сомнения, свяжитесь со специалистом, который проверит Вашу систему заземления.

Стиральная машина Indesit 421W инструкция, характеристики.
Главная > СМА > Стиральная машина Indesit 421W
Данное руководство подходит к следующим моделям:
- WN 421 WS
- WN 421 XWS
- WN 461 WO
- WN 463 WT
- WN 663 WO
- WN 665 SS
- WN 668 XWO
Стиральная машина Индезит 421W описание
Стиральная машинка Индезит 421 W отлично отстирывает любые вещи, хорошо полощет и отжимает. Машинка очень удобна для использования, имеет простое управление и много необходимых функций. Барабан машинки большой и вместительный, удобный люк для фронтальной загрузки. Большой лоток для порошка. Машинка хорошо смотрится в любом интерьере, так как имеет простой и достаточно красивый дизайн.
Indesit 421W инструкция. Как скачать руководство пользователя?
Инструкция Indesit 421W легко скачивается, в начале страницы перед Вами будет таблица:
Нажимайте правой кнопкой на изображении PDF, после чего ищите в списке «Сохранить как», далее сохраняете на Вашем ПК стиральная машина Индезит 421W инструкция на русском языке, например:
И последний шаг, выбираете папку, в которой желаете сохранить инструкция по эксплуатации Индезит стиральная машина 421W инструкция, например на рабочем столе:
Надеемся, у Вас получилось найти машинка Индезит инструкция, скачать и успешно ею воспользоваться. Желаем Вам приятного пользования вашей стиралкой от компании Indesit.
Стиральная машина Indesit WG421TX описание
Indesit WG 421 TX простая и надежная стиральная машинка. Имеет необходимые режимы стирки, дополнительные программы. Выполаскивает хорошо, не плохой отжим. Работает достаточно тихо, на ровном полу не вибрирует и не прыгает. Стиральная машина Indesit WG421TX качественной сборки, простая в управлении, удобная в эксплуатации. Хорошо отстирывает любые вещи, даже деликатные ткани.
Совместимость руководства пользователя
Руководство пользователя также подходит для следующих моделей:
- WG 420
- WG 420 T
- WG 421 T
- WG 421 TX
- WG 422 X
- WG 424 T
- WG 431 T
- WG 432 TX
- WG 530 T
- WG 622 T
- WG 624 T
- WG 624 TX
- WG 630 TX
- WG 633 TX
- WG 824 T
- WG 824 TP
- WG 830 TX
- WG 834 T
- WG 835 TX
- WG 836 TX
- WG 1031 TP
- WG 1031 TX
- WG 1231 TX
Стиральная машина WG421TX инструкция. Как скачать руководство?
Инструкция Indesit WG421TX легко скачивается, в начале страницы перед Вами будет таблица:

Нажимайте правой кнопкой на изображении PDF, после чего ищите в списке «Сохранить как», далее сохраняете на Вашем ПК стиральная машина Индезит WG421TX инструкция на русском языке, например:

И последний шаг, выбираете папку, в которой желаете сохранить руководство по эксплуатации Indesit WG421TX инструкция, например на рабочем столе:

Надеемся, у Вас получилось найти стиральная машина Индезит инструкция, скачать и успешно ею воспользоваться. Желаем Вам приятного пользования Вашей стиралкой от компании Индезит.
Источник
Кнопки и селекторы
Сначала рассмотрим основные элементы, расположенные на панели управления.
Перечисленные ниже элементы есть на любой модели стиральной техники Indesit:
- Селектор переключения программ.Является важнейшим элементом панели управления. Он позволяет выбрать требуемый режим стирки посредством поворота ручки.
- Селектор выбора температуры.Модуль управления самостоятельно задает температуру воды после выбора режима стирки. Также им задается скорость вращения барабана. Однако эти показатели можно изменить, используя селектор выбора температуры.
- Регулятор оборотов.Позволяет изменить скорость вращения барабана стиральной машинки.
- Кнопка включение/выключение.Она есть на всей стиральной технике марки Indesit. Необходима для активации и деактивации машинки.
На машинках Индезит могут быть следующие дополнительные кнопки:
- Половинная загрузка.Эту кнопку используют, когда требуется постирать малое количество белья. Она позволяет сэкономить электроэнергию и воду.
- Сниженная загрузка белья.Эта кнопка полностью аналогична предыдущей и выполняет те же функции.
- Снижение скорости отжима. На этой кнопке, как правило, изображён значок крутящегося белья. Снижение скорости отжима белья требуется при стирке льняных и хлопчатобумажных вещей.
- Усиленное полоскание.Кнопка содержит надпись «Extra Spulen». Данная кнопка очень полезна при стирке тканей, требующих большое количество воды для полоскания.
- Холодная стирка.Применяется при стирке слабозагрязненной одежды либо деликатной ткани. При нажатии этой кнопки запускается процесс стирки без подогрева воды.
- Режим 600С.При нажатии этой кнопки вода в процессе стирки не нагревается выше 600С.
- Кнопка отключения отжима.Она содержит надпись «EXCLUSION CENTRIFUGADO». После нажатия этой кнопки отключается отжим белья.
- Кнопка, при нажатии которой останавливается стиральная машинка с водой.На этой кнопке изображена погруженная в воду рубашка.
На первый взгляд тема статьи кажется наивной, мол, что здесь непонятного, как пользоваться стиральной машинкой марки Indesit, берешь и пользуешься. Но если уж возникнут какие-либо вопросы, бери инструкцию и читай, там все доходчиво написано.
Однако не все так просто как кажется на первый взгляд. Во-первых, панель управления, которую имеет машина Indesit, прямо скажем, не самая понятная в мире. Ну а во-вторых, инструкции, которые сейчас идут вместе с современными моделями машин Индезит более чем краткие.
Более того, если вы берете стиральную машину данной марки б/у из Европы, то там вообще «темный лес». Инструкция на иностранных языках, на панели ни одной адекватной подписи, только и остается, что изучать машинку автомат «методом научного тыка». Мы решили помочь владельцам подобных стиральных машин и в данной публикации рассказать о важнейших нюансах использования «домашних помощниц» такой марки.
Что такое режим предварительной стирки в стиральной машине
Что такое режим предварительной стирки в стиральной машине? Многие пользователи сталкиваются с данной программой, но не все знают, как ее использовать и для чего она нужна.
Предварительная программа сейчас есть во всех стиральных машинках-автомат. Она позволяет ухаживать за бельем более качественно, эффективно избавляться от загрязнений. Из этой статьи вы узнаете, как правильно пользоваться функцией и выбирать ее на панели.
Для чего нужна предварительная стирка
Как понять, что означает и для чего нужна предварительная стирка? Для того, чтобы белье качественно отстирывалось, нужно использовать не только основную программу, но и предварительную.
Некоторые пользователи постоянно стирают вещи в быстром режиме. Это эффективно для слабозагрязненных вещей. А вот одежду с пятнами и сильными загрязнениями так не отстираешь. Поэтому производитель предусмотрел «Предварительную стирку». Установить ее можно перед основными программами:
Бережный и Ручной режим ;
Режим не совместим с быстрыми, экспресс-программами.
Для очистки от загрязнений на белье воздействуют такие факторы:
х имические составляющие моющих средств ;
м еханическое воздействие.
Без него машина будет стирать в обычном режиме. Если вы все-таки выбираете дополнительный режим, готовьтесь к тому, что время цикла увеличится.
Значки на машинках разных брендов
Что значит каждый значок на панели управления? Обозначение всех режимов на вашей модели можно найти в инструкции, либо в предыдущих статьях .
Значок предварительной стирки на всех марках стиралок (LG, BOSCH, Самсунг) обозначается одинаково. Это либо полное название режима, как на фото ниже, либо вот такой значок:
Сколько времени стирает машина
Рассмотрим, как выполняется режим в стиральной машине и сколько времени он длится.
В отделение кюветки для моющих средств засыпается порошок для предварительной стирки. В отсек I. Устанавливается программа.
Машина набирает большое количество воды, которая в течение цикла поддерживает температуру 30 градусов. Низкая температура позволяет справиться даже с пятнами крови. Если нужно, вы можете самостоятельно отрегулировать и установить более высокий градус.
В процессе из первого отсека (I) для предварительного режима забирается порошок, и начинается медленное прокручивание барабана. В зависимости от модели СМА, процесс может длиться около двух часов.
В конце вода сливается и забирается новая, для основной стирки.
Какие средства подойдут для данного режима: порошок для стирки или жидкий гель? Рекомендуется использовать порошок, поскольку, пока начнется основная программа, жидкое средство стечет в барабан.
Большая стирка
Для получения максимального эффекта недостаточно просто закинуть вещи в барабан и выбрать режим. Придерживайтесь простых правил:
Сортируйте вещи не только по цвету, но и по степени загрязненности.
Стирайте белье не реже, чем раз в неделю. Иначе пятна пристанут настолько сильно, что потом будет сложно с ними справиться.
Постельное белье, вещи с пуговицами выворачивайте наизнанку, прежде чем положить в барабан.
Одежду с декором и обувь рекомендуется стирать в специальных мешках.
Проверяйте карманы одежды.
Немаловажным фактором является правильный подбор порошка. Используйте автомат для конкретного типа ткани.
Чтобы справиться с застарелыми и сложными пятнами, поступите так:
Сначала натрите пятна специальным средством или хозяйственным мылом.
Загрузите в бак, засыпав порошок в два отсека.
Включите предварительную стирку и основную (для хлопка, синтетики).
Из барабана вы должны достать абсолютно чистые вещи. Не забывайте, что от происхождения пятен на одежде зависит выбранная температура стирки.
Как включить функцию
Сначала засыпьте порошок, затем установите обычную стирку, поворачивая селектор. Теперь нажмите кнопку со значком «Предварительная стирка».
Что делать, если предварительная стирка не работает
Не работает режим при запуске, а световой индикатор мигает? Проверьте, плотно ли закрыта дверца люка. Также посмотрите, возможно была нажата кнопка паузы.
Если все в порядке, попробуйте перезагрузить стиралку, отсоединив ее от питания на 15-20 минут.





























